|
|
| |
|
欢迎您在这里留言,我们将对您的意见和 各种反 馈信息予以回复,希
望我们的留言给您带来帮助
。感谢您对我们的支
持和厚 爱。[进入系统] |
|
|
|
|
|
|
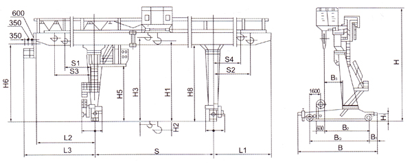
| MBG20/5~32/5吨L型门式起重机 | 
|
起重量
|
t
|
20/5
|
32/5
|
|
工作制度
|
A5
|
|
跨度
|
s
|
18
|
22
|
26
|
30
|
35
|
18
|
22
|
26
|
30
|
35
|
|
起升高度
|
H1
|
10
|
11
|
10
|
11
|
|
H2
|
2
|
1
|
2
|
1
|
|
H3
|
10
|
11
|
10.85
|
11.85
|
|
H4
|
1
|
1.15
|
0.15
|
|
速度
|
起升
|
主
|
m/min
|
9.2
|
7.3
|
|
副
|
19.5
|
19.4
|
|
小车运行
|
39.3
|
38.5
|
|
大车运行
|
39.4
|
48.4
|
47.1
|
35.1
|
35.1
|
|
电动机
|
起升
|
主
|
|
YZR250M1-8/30KW
|
YZR280S-8/45KW
|
|
副
|
KW
|
YZR180L-6/15KW
|
YZR180L-6/15KW
|
|
小车运行
|
|
YZR160M1-6/5.5KW
|
YZR160M2-6/7.5KW
|
|
大车运行
|
|
YZR160M2-6/2x8.5
|
YZR160L-6/2x13
|
YZR200L-8/2x18.5
|
YZR160M1-6/4x5.5KW
|
YZR160M2-6/4x7.5KW
|
|
主要尺寸(mm)
|
H
|
13795
|
14795
|
14152
|
15152
|
|
H5
|
6950
|
6850
|
7450
|
7350
|
7226
|
7026
|
7826
|
7722
|
|
H6
|
9950
|
10950
|
10300
|
11300
|
|
H7
|
660
|
800
|
557
|
|
H8
|
9550
|
9450
|
10050
|
9950
|
9696
|
9496
|
10296
|
10196
|
|
L1
|
7234
|
9234
|
7206
|
9206
|
|
L2
|
7934
|
9934
|
7906
|
9906
|
|
L3
|
9280
|
11280
|
9406
|
11406
|
|
L4
|
622.5
|
632.5
|
832.5
|
572
|
625
|
|
L5
|
732
|
875
|
812
|
|
S1S2
|
5000
|
7000
|
5000
|
7000
|
|
S3
|
6636
|
8636
|
6685
|
8685
|
|
S4
|
3364
|
5364
|
3315
|
5315
|
|
B
|
9029
|
9725
|
9692
|
10192
|
|
B1
|
608
|
736
|
2250
|
2400
|
|
B2
|
4596
|
4796
|
4930
|
5180
|
|
B3
|
|
1800
|
1980
|
|
BQ
|
7500
|
8000
|
7500
|
8000
|
|
重量
|
小车
|
-9.1
|
-13.3
|
|
总重
|
53.6
|
57.4
|
62.9
|
73.8
|
80.0
|
70.0
|
73.5
|
80.0
|
88.4
|
96.1
|
|
轮压
|
32.9
|
33.9
|
35.7
|
40.6
|
43.7
|
21.6
|
22.7
|
24.6
|
27.5
|
29.9
|
|
荐用钢轨
|
小车
|
38kg/m
|
|
大车
|
43kg/m
|
43kg/m QU70 80kg/m
|
|
电源
|
三相交流 50Hz 380V
|
|
|  |
|
|
|