|
|
| |
|
欢迎您在这里留言,我们将对您的意见和 各种反 馈信息予以回复,希
望我们的留言给您带来帮助
。感谢您对我们的支
持和厚 爱。[进入系统] |
|
|
|
|
|
|
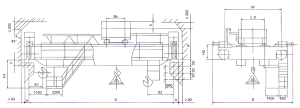
| QC型电磁电磁桥式起重机 | 
|
起重量
|
t
|
5
|
10
|
16
|
|
跨度(S)
|
m
|
10.5
|
13.5
|
16.5
|
19.5
|
22.5
|
25.5
|
28.5
|
31.5
|
10.5
|
13.5
|
16.5
|
19.5
|
22.5
|
25.5
|
28.5
|
31.5
|
10.5
|
13.5
|
16.5
|
19.5
|
22.5
|
25.5
|
28.5
|
31.5
|
|
工作级别
|
|
A6
|
|
|
|
起升高度
|
m
|
16
|
22
|
16
|
|
速度
|
起升
|
电磁
|
m/min
|
18.9
|
19.06
|
16.7
|
|
副钩
|
|
|
|
|
小车运行
|
44.0
|
44.0
|
44.3
|
|
大车运行
|
92.7
|
92.7
|
93.7
|
91.8
|
92.7
|
|
电动机
|
起升
|
电磁
|
KW
|
YZR200L-6/22
|
YZR250M2-8/37
|
YZR280S-8/45
|
|
副钩
|
|
|
|
|
小车运行
|
YZR132M1-6/2.2
|
YZR132M1-6/2.2
|
YZR132M1-6/3.7
|
|
大车运行
|
YZR160M1-6/2x5.5
|
YZR160M1-6/2x5.5
|
YZR160M1-6/2x75
|
YZR160M2-6/2x6.3
|
YZR160M-6/2x8.5
|
|
主要尺寸(mm)
|
B
|
4950
|
5650
|
5650
|
6150
|
5810
|
6310
|
|
W
|
3400
|
4100
|
4100
|
4600
|
4100
|
4600
|
|
BX
|
1100
|
1600
|
1700
|
|
b
|
230
|
|
LX
|
1400
|
2000
|
|
H
|
1732
|
1735
|
1738
|
1741
|
1746
|
1749
|
1752
|
1755
|
1743
|
1746
|
1749
|
1754
|
1757
|
1760
|
1763
|
1766
|
2060
|
2063
|
2066
|
2069
|
2072
|
2075
|
2078
|
2081
|
|
H1
|
2316
|
2466
|
2536
|
2616
|
2766
|
2966
|
3066
|
3216
|
2316
|
2466
|
2536
|
2616
|
2766
|
2966
|
3066
|
3216
|
2305
|
2425
|
2555
|
2725
|
2855
|
3005
|
3105
|
3255
|
|
H2
|
725
|
821
|
|
S1
|
852
|
1080
|
1130
|
|
S2
|
1162
|
1154
|
1450
|
|
F
|
26
|
176
|
246
|
326
|
476
|
676
|
776
|
925
|
26
|
176
|
246
|
326
|
476
|
676
|
776
|
925
|
15
|
35
|
265
|
435
|
565
|
715
|
815
|
965
|
|
h
|
225
|
196
|
|
重量
|
小车
|
t
|
2.6
|
4.5
|
5.6
|
|
总重
|
17.3
|
19.0
|
21.1
|
23.5
|
26.0
|
29.4
|
33.2
|
35.0
|
21.6
|
23.7
|
262
|
28.9
|
31.3
|
34.6
|
38.1
|
41.2
|
28.8
|
31.0
|
34.3
|
37.4
|
40.5
|
45.2
|
49.0
|
53.4
|
|
轮压
|
7.9
|
8.4
|
8.8
|
9.2
|
10.0
|
10.7
|
11.4
|
12.0
|
11.6
|
12.4
|
13.2
|
14.0
|
14.7
|
15.7
|
16.6
|
17.5
|
24.9
|
26.5
|
27.8
|
29.1
|
31.0
|
31.8
|
32.8
|
34.3
|
|
电磁盘
|
型号
|
|
MW1-6
|
MW1-16
|
MW1-16
|
MW1-16
|
|
吸重
|
kg
|
4540
|
3140
|
8140
|
1414
|
|
自重
|
460
|
1860
|
1860
|
1860
|
|
直径
|
mm
|
776
|
1180
|
1180
|
1180
|
|
荐用钢轨
|
38kg/m
|
43kg/m
|
43kg/m QU70
|
|
电源
|
三相交流 50HZ 380V
|
|
|  |
|
|
|