|
|
| |
|
欢迎您在这里留言,我们将对您的意见和 各种反 馈信息予以回复,希
望我们的留言给您带来帮助
。感谢您对我们的支
持和厚 爱。[进入系统] |
|
|
|
|
|
|
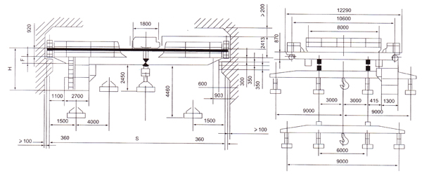
| QL型电磁挂梁起重机 | 
|
额定起重量
|
t
|
10+10
|
|
跨度
起升高度
|
m
|
13.5
|
16.5
|
19.5
|
22.5
|
25.5
|
28.5
|
|
16
|
|
工作制度
|
重级
|
|
速度
|
起升
|
m/min
|
15.4
|
|
小车运行
|
43.4
|
|
大车运行
|
133
|
126
|
|
电动机
|
起升
|
型号(KW)
|
YZR315S-10/55
|
|
小车运行
|
YZR160M-6/5.5
|
|
大车运行
|
YZR160L-6/11x2
|
YZR200L-8/15x2
|
|
自重
|
小车
|
t
|
|
|
总重
|
37.8
|
41.7
|
46.7
|
50.3
|
55.4
|
58.1
|
|
轮压
|
22.5
|
23.5
|
25
|
26
|
27.5
|
28.5
|
|
电磁盘
|
型号
|
MW1-6
|
MW1-6
|
|
允许吸重
|
Kg
|
5540
|
8330
|
|
自重
|
460
|
1670
|
|
荐用轨道
|
QU80
|
QU100
|
|
电源
|
三相交流380V 50HZ
|
|
F
|
94
|
244
|
394
|
544
|
694
|
844
|
|
H
|
3182
|
3332
|
3482
|
3632
|
3622
|
3772
|
|
|  |
|
|
|