设为主页 | 加为收藏 | 邮箱登陆  
 
主页导航 公司简介 新闻中心 产品中心 主要产品 资质荣誉 在线留言 联系方式
  LX型电动单梁悬挂起重机
  LD型电动单梁起重机
  LH型电动葫芦桥式起重机
  QD型通用桥式起重机
    - QD5吨电动双梁桥式起重机
    - QD10吨电动双梁桥式起重机
    - QD16/3.2吨电动双梁桥式起重机
    - QD20/5吨电动双梁桥式起重机
    - QD32/5吨电动双梁桥式起重机
    - QD50/10吨电动双梁桥式起重机
    - QD75/20吨电动双梁桥式起重机
    - QD100/20吨电动双梁起重机
    - QD125/250吨桥式起重机
    - QD20/5吨电动双梁慢速吊钩桥式起重机
    - QD32/5吨电动双梁慢速吊钩桥式起重机
    - QD50/10吨电动双梁慢速吊钩桥式起重机
  QE型通用桥式起重机
  Z型抓斗桥式起重机
  QC型电磁电磁桥式起重机
  QDY型吊钩桥式起重机(吊运熔融金属)
  YZ型冶金起重机
  MH型电动葫芦门式起重机
  MHB型电动葫芦半门式起重机
  MDG型单柱门式起重机
  MG型双梁门式起重机
  MGB型双梁半门式起重机
  MZ型抓斗门式起重机
  QL型电磁挂梁起重机
  MBG20/5~32/5吨L型门式起重机
  造船门式起重机
  ME型门式起重机
  装卸桥
 
 欢迎您在这里留言,我们将对您的意见和
      各种反 馈信息予以回复,希
       望我们的留言给您带来帮助
      。感谢您对我们的支 持和厚
      爱。[进入系统]
 
 
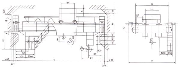
QD20/5吨电动双梁慢速吊钩桥式起重机

工作级别
A3
跨度(S)
m
10.5
13.5
16.5
19.5
22.5
25.5
28.5
31.5
起重机总重
t
19.2
21.2
23.9
26.8
29.2
32.7
36.2
39.6
轮压
kN
160
171
182
192
201
211
221
231
速度
起重机运行
m/min
42.2                                     43.2
小车运行
26
起升
2.3
副起升
12
电动机
起重机运行
2-YZR132M2-6/2x4KW
2-YZR160M2-6/2x6.3KW
小车运行
YZR132M1-6/2.5KW
起升
YZR160M2-6/8.5KW
副起升
YZR160L-6/13KW
主要尺寸
B
mm
5860
6260
W
4200
4600
H
2060
2063
2066
2069
2072
2075
2078
2081
A
821
H3
501
F
30
150
280
430
580
730
830
980
荐用轨道
38kg/m  43kg/m  50x50  60x60  70x70  80x80  100x100
上一页:QD125/250吨桥式起重机
下一页:QD32/5吨电动双梁慢速吊钩桥式起重机
    
 
Copyright @ 3011 江苏华苏重工机械有限公司. All Rights Reserved.
地 址:江苏省无锡市滨湖区华庄苏锡西路97号 电 话:0510-85617136 传 真:0510-85617136 联系人:张涛
网 址:www.wuxihuasu.com E-mail:info@wuxihuasu.com 苏ICP备11072327号-1 网站建设:君通科技