设为主页 | 加为收藏 | 邮箱登陆  
 
主页导航 公司简介 新闻中心 产品中心 主要产品 资质荣誉 在线留言 联系方式
  LX型电动单梁悬挂起重机
  LD型电动单梁起重机
  LH型电动葫芦桥式起重机
  QD型通用桥式起重机
    - QD5吨电动双梁桥式起重机
    - QD10吨电动双梁桥式起重机
    - QD16/3.2吨电动双梁桥式起重机
    - QD20/5吨电动双梁桥式起重机
    - QD32/5吨电动双梁桥式起重机
    - QD50/10吨电动双梁桥式起重机
    - QD75/20吨电动双梁桥式起重机
    - QD100/20吨电动双梁起重机
    - QD125/250吨桥式起重机
    - QD20/5吨电动双梁慢速吊钩桥式起重机
    - QD32/5吨电动双梁慢速吊钩桥式起重机
    - QD50/10吨电动双梁慢速吊钩桥式起重机
  QE型通用桥式起重机
  Z型抓斗桥式起重机
  QC型电磁电磁桥式起重机
  QDY型吊钩桥式起重机(吊运熔融金属)
  YZ型冶金起重机
  MH型电动葫芦门式起重机
  MHB型电动葫芦半门式起重机
  MDG型单柱门式起重机
  MG型双梁门式起重机
  MGB型双梁半门式起重机
  MZ型抓斗门式起重机
  QL型电磁挂梁起重机
  MBG20/5~32/5吨L型门式起重机
  造船门式起重机
  ME型门式起重机
  装卸桥
 
 欢迎您在这里留言,我们将对您的意见和
      各种反 馈信息予以回复,希
       望我们的留言给您带来帮助
      。感谢您对我们的支 持和厚
      爱。[进入系统]
 
 
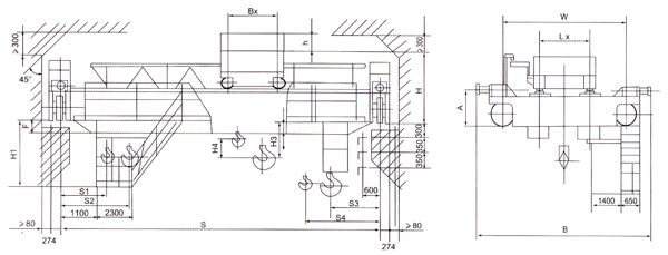
QD20/5吨电动双梁桥式起重机

工作级别
A5
A6
跨度(S)
m
10.5
13.5
16.5
19.5
22.5
25.5
28.5
31.5
10.5
13.5
16.5
19.5
22.5
25.5
28.5
31.5
起重机总重
t
19.2
21.3
23.9
26.9
19.6
34.0
38.1
41.7
20.7
22.8
25.3
28.4
31.1
35.5
39.6
43.2
轮压
kN
160
171
182
192
201
211
221
231
166
177
188
198
208
218
229
239
起升高度
m
12/14
12/14
速度
起重机运行
m/min
75.1
86.5
86.9
小车运行
44.2
44.2
主起升
9.2
12.5
付起升
18.8
18.8
电动机
起升
型号/KW
YZR250M1-8/35
YZR250M2-6/45
YZR180L-6/17
YZR180L-6/17
小车运行
YZR132M2-6/4
YZR132M2-6/4
大车运行
YZR160M2-6/2x8.5
YZR160M2-6/2x7.5
YZR160M2-6/2x11
主要尺寸
B
mm
5860
6260
5860
6260
W
4200
4600
4200
4600
H
2060
2063
2066
2069
2072
2075
2078
2081
2060
2063
2066
2069
2072
2075
2078
2081
A
821
821
H3
501
501
F
30
150
280
430
580
730
830
980
30
150
280
430
580
730
830
980
荐用轨道
38kg/m  43kg/m  50kg/m  QU70  QU80  QU100
上一页:QD16/3.2吨电动双梁桥式起重机
下一页:QD32/5吨电动双梁桥式起重机
    
 
Copyright @ 3011 江苏华苏重工机械有限公司. All Rights Reserved.
地 址:江苏省无锡市滨湖区华庄苏锡西路97号 电 话:0510-85617136 传 真:0510-85617136 联系人:张涛
网 址:www.wuxihuasu.com E-mail:info@wuxihuasu.com 苏ICP备11072327号-1 网站建设:君通科技