|
|
| |
|
欢迎您在这里留言,我们将对您的意见和 各种反 馈信息予以回复,希
望我们的留言给您带来帮助
。感谢您对我们的支
持和厚 爱。[进入系统] |
|
|
|
|
|
|
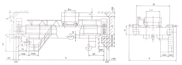
| QD10吨电动双梁桥式起重机 | 
|
工作级别
|
A5
|
A6
|
|
跨度(S)
|
m
|
10.5
|
13.5
|
16.5
|
19.5
|
22.5
|
25.5
|
28.5
|
31.5
|
10.5
|
13.5
|
16.5
|
19.5
|
22.5
|
25.5
|
28.5
|
31.5
|
|
起重机总重
|
t
|
14.8
|
16.2
|
19
|
20.8
|
23.5
|
27.8
|
31.3
|
34.4
|
15
|
16.5
|
19.4
|
21.6
|
24.5
|
29.3
|
32.9
|
36
|
|
轮压
|
kN
|
96
|
99
|
108
|
110
|
120
|
130
|
138
|
150
|
99
|
103
|
110
|
119
|
127
|
132
|
141
|
152
|
|
起升高度
|
m
|
16
|
16
|
|
速度
|
起重机运行
|
m/min
|
69
|
70.6
|
92.8
|
93.7
|
|
小车运行
|
43.2
|
43.2
|
|
起升
|
9.8
|
12.6
|
|
电动机
|
起升
|
型号/KW
|
YZR180L-6/17
|
YZR200L-6/22
|
|
小车运行
|
YZR132M1-6/2.5
|
YZR132M1-6/2.5
|
|
大车运行
|
YZR132M2-6/2x4
|
YZR160M-6/2x6.3
|
YZR160M1-6/2x5.5
|
YZR160M2-6/2x7.5
|
|
主要尺寸
|
B
|
mm
|
5700
|
6200
|
5700
|
6200
|
|
W
|
4100
|
4600
|
4100
|
4600
|
|
H
|
1743
|
1746
|
1749
|
1754
|
1757
|
1760
|
1763
|
1766
|
1743
|
1746
|
1749
|
1754
|
1757
|
1760
|
1763
|
1763
|
|
A
|
725
|
725
|
|
H3
|
323
|
323
|
323
|
321
|
321
|
321
|
321
|
321
|
323
|
323
|
323
|
321
|
321
|
321
|
321
|
321
|
|
F
|
26
|
176
|
246
|
326
|
478
|
678
|
778
|
928
|
26
|
176
|
246
|
326
|
478
|
678
|
778
|
928
|
|
荐用轨道
|
38kg/m 43kg/m 50kg/m QU70 QU80 QU100
|
| 上一页:QD5吨电动双梁桥式起重机 下一页:QD16/3.2吨电动双梁桥式起重机 |  |
|
|
|