|
|
| |
|
欢迎您在这里留言,我们将对您的意见和 各种反 馈信息予以回复,希
望我们的留言给您带来帮助
。感谢您对我们的支
持和厚 爱。[进入系统] |
|
|
|
|
|
|
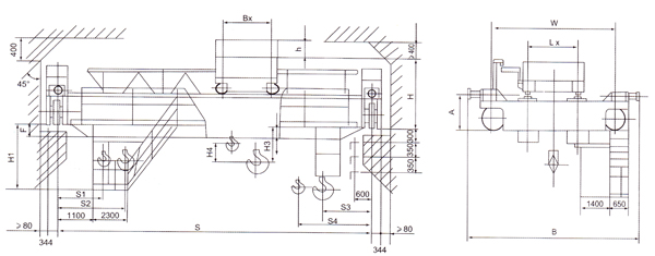
| QD50/10吨电动双梁慢速吊钩桥式起重机 | 
|
工作级别
|
A3
|
|
跨度(S)
|
m
|
10.5
|
13.5
|
16.5
|
19.5
|
22.5
|
25.5
|
28.5
|
31.5
|
|
起重机总重
|
t
|
30.8
|
33.5
|
36.2
|
39.4
|
43.4
|
47.7
|
54.1
|
60.0
|
|
轮压
|
kN
|
347
|
368
|
384
|
400
|
415
|
432
|
450
|
470
|
|
速度
|
起重机运行
|
m/min
|
47.6
|
48
|
|
小车运行
|
18
|
|
起升
|
1.8
|
|
副起升
|
8.1
|
|
电动机
|
起重机运行
|
2-YZR160M1-6/6.3KW
|
2-YZR160M2-6/8.5KW
|
|
小车运行
|
YZR132M2-6/4KW
|
|
起升
|
YZR180L-6/17KW
|
|
副起升
|
YZR180L-6/17KW
|
|
主要尺寸
|
B
|
mm
|
7060
|
|
W
|
5200
|
|
H
|
2720
|
2723
|
2726
|
2729
|
2734
|
2739
|
2746
|
2753
|
|
A
|
1011
|
|
H3
|
911
|
909
|
907
|
903
|
899
|
|
F
|
90
|
340
|
490
|
690
|
792
|
794
|
798
|
802
|
|
荐用轨道
|
38kg/m 43kg/m 50kg/m 70x70 80x80 90x90 100x100 110x110
|
| 上一页:QD32/5吨电动双梁慢速吊钩桥式起重机
|  |
|
|
|