|
|
| |
|
欢迎您在这里留言,我们将对您的意见和 各种反 馈信息予以回复,希
望我们的留言给您带来帮助
。感谢您对我们的支
持和厚 爱。[进入系统] |
|
|
|
|
|
|
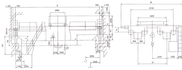
| QD75/20吨电动双梁桥式起重机 | 
|
工作级别
|
A5
|
A3
|
|
跨度(S)
|
m
|
13.5
|
16.5
|
19.5
|
22.5
|
25.5
|
28.5
|
31.5
|
13.5
|
16.5
|
19.5
|
22.5
|
25.5
|
28.5
|
31.5
|
|
起重机总重
|
t
|
61.8
|
65.7
|
70.8
|
76.5
|
81.4
|
88
|
94
|
59.8
|
63.7
|
68.8
|
74.5
|
79.4
|
86
|
92
|
|
轮压
|
kN
|
294
|
307
|
319
|
329
|
338
|
350
|
361
|
257
|
268
|
278
|
283
|
301
|
307
|
311
|
|
速度
|
起重机运行
|
m/min
|
66.7
|
30.6
|
|
小车运行
|
35.2
|
10.3
|
|
起升
|
6.2
|
1.27
|
|
副起升
|
9.2
|
9.2
|
|
电动机
|
起重机运行
|
|
2~YZR180L-6 2x15KW
|
2~YZR200L-6 2x22KW
|
2~YZR180L
|
2x11KW
|
|
小车运行
|
YZR160L-6
|
11KW
|
YZR160L-6
|
5.5KW
|
|
起升
|
YZR315M-10
|
75KW
|
YZR200L-6
|
22KW
|
|
副起升
|
YZR250M1-8
|
30KW
|
YZR250M1-8
|
30KW
|
|
主要尺寸
|
M
|
mm
|
8295
|
8295
|
|
W
|
5500
|
5500
|
|
H
|
3469
|
3476
|
3481
|
3484
|
3707
|
3716
|
3725
|
3469
|
3476
|
3481
|
3484
|
3707
|
3716
|
3725
|
|
A
|
1200
|
1200
|
|
H1
|
830
|
826
|
824
|
824
|
604
|
598
|
594
|
830
|
826
|
824
|
824
|
604
|
598
|
594
|
|
F
|
-10
|
-10
|
138
|
288
|
118
|
124
|
128
|
-10
|
-10
|
138
|
288
|
118
|
124
|
128
|
|
荐用轨道
|
43kg/m 50kg/m 70x70 80x80 90x90 100x100 QU80
|
| 上一页:QD50/10吨电动双梁桥式起重机 下一页:QD100/20吨电动双梁起重机 |  |
|
|
|